918博天堂·[中国]官方网站
咨询电话:13029991151
固定电话:+86-451-82323452
400 电话:400-722-8808
电邮:htgf@hontop.net.cn
邮编:150070
网址:www.hontop.net.cn
地址:哈尔滨市高新技术产业开发区迎宾路集中区鄱阳东路1号

第一部分
Part one
LCS-M多级液位浮动式油水分离设备
产品介绍 Product introduction

LCS-M多级液位浮动式油水分离设备是918博天堂·[中国]官方网站 专门针对餐饮废水的水质特性,自主开发的最新一代高效油水分离设备。它的结构新颖,自动除渣除油模式更加人性化;集渣桶内置箱体,便于现场管理和现场环境保护;设备箱体整体采用304不锈钢,防腐耐用。该设备采用全封闭设计,通过换气管与室外进行换气,避免了设备内的气味对场地的造成的空气污染;将杂物、污油、污水进行了分离,避免了泵与杂物、污油的接触,大大延长了水泵的使用寿命;采用自耦安装潜水泵,便于水泵的检修与更换。
适用领域:各类饭店、酒店、食堂等餐饮场所的餐饮废水处理。
设备原理:LCS-M系列多级液位浮动式油水分离设备,通过发明zhuanli技术摆动式固液分离装置(发明zhuanli号:201310013598.0)实现餐饮废水中残渣的过滤分离,该设计已获国家立项,真正做到自动进行固液分离,并进行脱水处理。
第一部分:除渣部分。餐饮废水及残渣通过设备进水口进入除渣装置,废水经“过滤栅板”后流入油水分离箱;残渣落在板刷平台上,动力系统控制板刷做往复刮擦运动,板刷把残渣推送至残渣收集区域,通过挤压机构对残渣进行挤压脱水处理后,传递到集渣桶中,用户只需定时更换集渣桶即可实现残渣的自动分离。集渣桶箱体内放置,防止异味且便于现场管理。
第二部分:隔油部分。除渣后的含油脂废水进入油水分离箱后,采用比重法进行油水分离,油水分离箱为多个组装,多级分离。采用上部帽型独特设计,更有利于油脂收集。集油区域配置恒温电加热系统,使油脂处于液体状态便于排出。电加热系统可按照程序设定加热时段。除油时,启动控制面板上的“除油启”按钮,液位控制装置启动,使液位达到除油液位,打开流油口阀门,油脂自行流出,达到除油时间或点击“除油停”按钮,除油结束。
第三部分:提升部分。对于安装在地下建筑内的餐饮油水分离设备,可配套一体化提升箱,箱体内采用zhuanli油污专用折叠浮装置控制,自耦安装2台潜污泵(无需进入提升设备箱体即可进行水泵的拆卸维护),交替使用互为备用,潜污泵运行过程无需人工操作可自动实现。
产品描述 Product description

设备性能参数 Performance parameter

设备功能优势 Functional advantages
①自动除渣:摆动式自动除渣机构,固液分离并自动收集残渣到集渣桶内;
②脱水功能:独特的挤压沥水技术,残渣收集含水率低至10%;
③自动除油:液推式自动油水分离机构实现自动排油;
④全封闭:污水封闭式运行,不污染环境;
⑤自动化:全自动运行,无需人工执守;
⑥内置集成:集渣桶内置与箱体,便于管理,避免环境污染;
⑦寿命长:材质选用不锈钢SUS304,质量保证;
⑧百变金刚:组合式安装,可根据用户现场空间,选择一字型,L型,T型,方形等多种安装方式。
设备核心技术 Equipment core technology

设备安装方式 Installation mode
特点:灵活多变,根据安装现场的空间,可采用一字型,L型,H型,方形等。
根据厨房来水流量的大小选用1个除渣装置配套1个或多个自动除油装置。

技术优势 Technical advantages
(1)除渣机构结构
我公司新型zhuanli技术产品,采用摆动式固液分离装置推离固体废渣,而液态废水则通过篦条流通到下部的接水盘中,从而实现固液分离,这种篦条结构不是经纬交织的网孔或过滤孔,不易发生堵塞。此结构具有结构简单,便于维修,效率高的特点。残渣流入自动除渣装置内,经过摆动式格栅往复式运行,把残渣自动收集到桶内,无需人工进行清理。
(2)箱体结构示意图
独特的箱体组装设计,除渣箱上方均设计为活动门窗结构,便于设备内部零部件的维修和维护。

(3)取渣口结构
产品独特的设计理念,将集渣桶放置在除渣箱内部,箱体上设置取渣口,需要取渣时打开取渣口门,拿出集渣桶倾倒残渣。节约隔油室空间的同时,更加环保,杜绝残渣产生异味污染环境。
(4)残渣挤压脱水后示意
残渣挤压后,含水率极地,为存放和运输大大节省了空间和运力。


第二部分
Part two
设备选型 Equipment Selection
技术要求并结合918博天堂产品的技术特点,选用的隔油提升设备型号为:

设备技术参数及指标 Parameters and indicators

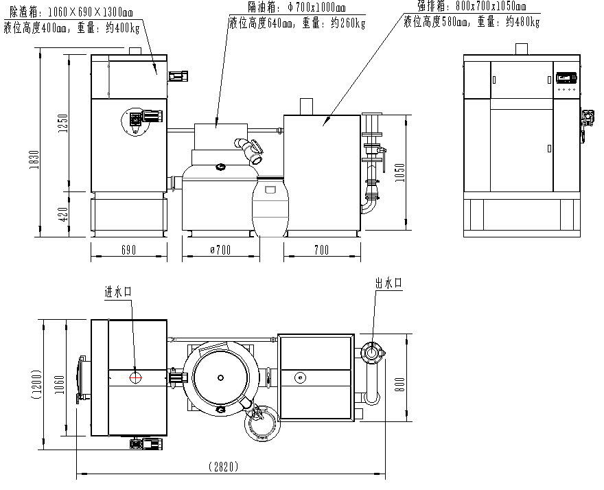
除渣箱:箱体尺寸1060×690×1300mm,液位高度400mm,重量约为400kg;
隔油箱:箱体尺寸φ700×1000mm,液位高度640mm,重量约为260kg;
强排箱:箱体尺寸700×800×1050mm,液位高度580mm,重量约为480kg。
设备安装示意图

918博天堂排水简介
918博天堂·[中国]官方网站 ,成立于1999年,是国家级高新技术企业,公司坐落于哈尔滨市高新区鄱阳东路1号;是国内“过滤反冲洗式污水提升设备”(“对含有块状物流体输送装置”zhuanli号:ZL98238575.7)的发明者与此行业的缔造者,是国内第一家生产污水提升设备的专业厂家,提前迈出了从“中国制造”到“中国创造”的坚定步伐。新型污水提升设备被评为“高新技术产品”,拥有包含“污水提升设备”“餐饮油水分离设备”在内的多项发明zhuanli,近百余项自主知识产权,是行业内第一家上市公司(股票代码430537)。
918博天堂股份通过了“武器装备质量管理体系认证”,参与大型舰船军品研发,产品已应用成功并取得军方认可,随着尖端军品制造技术介入民用产品,使民品的品质与产能得到强有力的保障。多年来918博天堂致力于“生活污水提升设备”和“餐饮油水分离设备”的研发与生产,以“舍我其谁”的态势站在行业技术的巅峰。918博天堂首创的“地下室反冲洗式污水提升设备”,已被作为行业标准,纳入行业名录。918博天堂专注自主科技创新,决不“泊来”。
918博天堂股份身为“高新企业”,以“军工底蕴”投身“科技环保”,实现企业价值,为自身正名。


